About the Data

Important

All data parameters are available in the Original Lab Book

About this section

This section gives a documentation about the data. It explains how the data has been acquired.

The first part describes the used tools like the sensor, cryostat and instruments. Here also an overview is given over the OneNote notebook which has been used to document all measurements. This notebook contains all information about every performed measurement until m462.

Afterwards this Lab Book is continuing the measurement documentation in the second part. This is splitted into magnetic and fluctuation measurements.

Data Life Cycle

../_images/data-lifecycle.png

Fig. 7 Data Lifecycle (see https://datascience.berkeley.edu/about/what-is-data-science/)

Timeline

../_images/timeline.svg

Fig. 8 Project Timeline

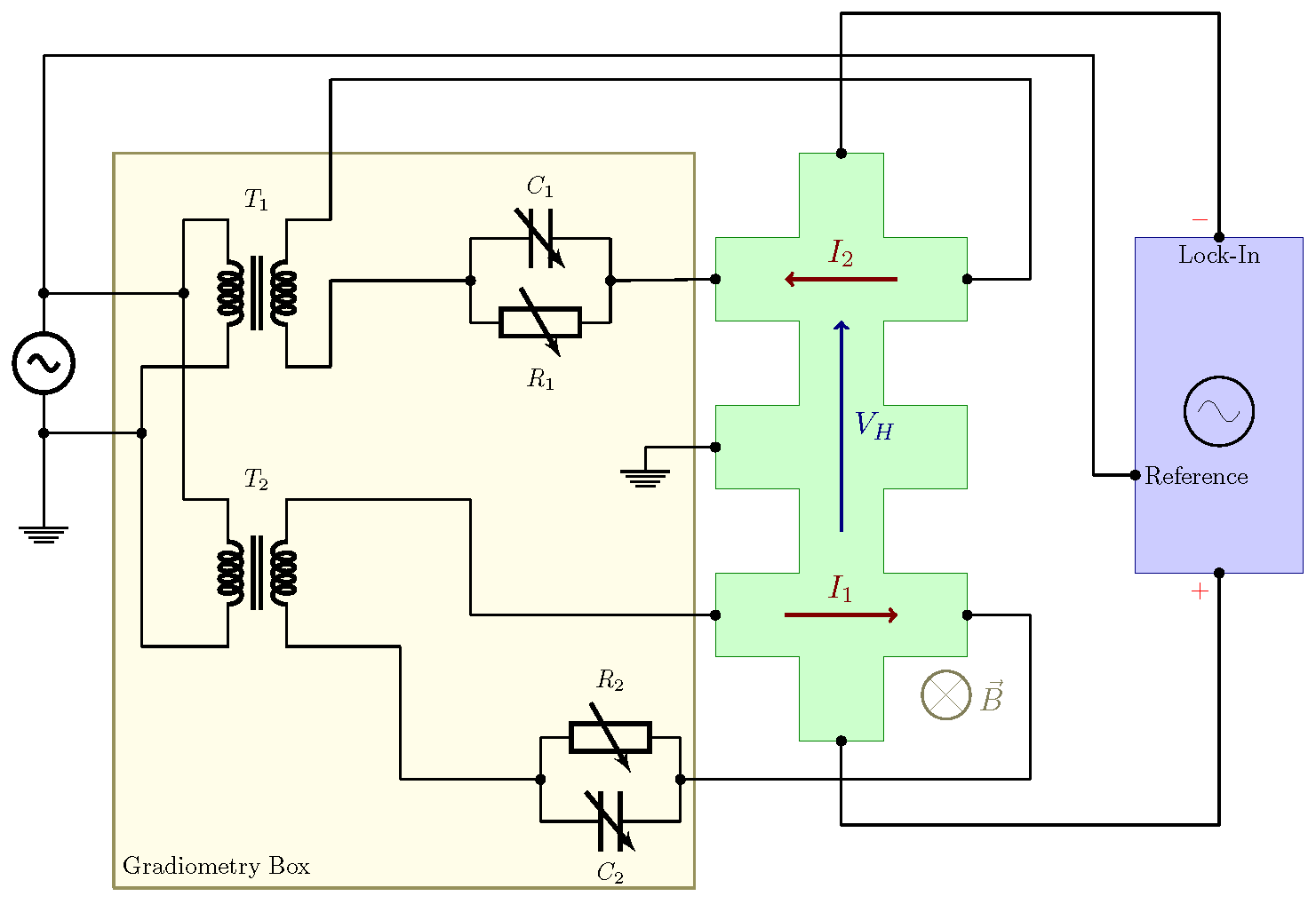
Measurement Setup

Most of the measurements are using the gradiometry setup:

../_images/gradiometry_box.png

Fig. 9 Gradiometry Measurement Setup

Adjustable Parameters

Every parameter can have a crucial influence on the measurement. Therefore together with each measurement the corresponding used parameters are documented.

Measurement Parameters

The following parameters can be adjusted:

Parameter

Description

T

Temperature of the sample

θ

Angle between sensor and magnetic field

Type

Measurement Type (Gradio/Hloop/MFN). Determines \(I_1\) and \(I_2\)

\(I_1\)

Hall bar connection of \(I_1\)

\(I_2\)

Hall bar connection of \(I_2\)

Gate

Gate grounding (w/ one bar connection)

\(R_1\)

see Gradiometry Setup above

\(R_2\)

see Gradiometry Setup above

\(C_1\)

see Gradiometry Setup above

\(C_2\)

see Gradiometry Setup above

Magnet Parameters

Parameter

Description

\(B_{ext}\)

External field [T]

sweep

Sweeping the field?

SR

Sweeprate of the field [mT/min]

\(dB_{ext}\)

Fieldrange [T]

Lock-In Parameters

The programmable Lock-In SR830 can be used in various settings:

Parameter

Description

\(f_{ref}\)

Reference Frequency for the signal generator

\(V_{in}\)

Input Voltage

τ

Time Constant (lowpass filter)

sens

Sensitivity: Highest measurable voltage (-sens < \(V_H\) < +sens)

Float/Ground

Grounding the signal. Default: Ground

AC/DC

AC-Coupling. Default: AC

A/A-B

Input to use. Default: A-B

Reserve

Noise-Reserve. Default: Normal

Source

\(f_{ref}\) Source. Default: Internal

Noise Parameters

Signal Analyzer (SR785)

Parameter

Description

\(f_{max}\) / Freq-Span

Maximum frequency in the power spectral density

Avg

Number of averages to sample over

Pre Amplifier (SR560)

Parameter

Description

Gain Mode

Default: Low

Gain

Default: 200

Coupling

Default: AC

Output (50 Ω)

Default: LI Input A

Filters

Default: Off

Data Aquisition (DAQ)

Parameter

Description

\(f_{sample}\) / Rate

Sampling Frequency [samples / second]

Avg

Number of averages to sample over

\(f_{max}\) / Freq-Span

Maximum frequency in the power spectral density

downsample

Sample a part of the signal according to \(f_{sample}\)

shifting_method

With downsample

filtering signal

see SpectrumAnalyzer

zero_padding

Adding 0 for missing values

Todo

implement zero_padding (currently different length measurements result in data loss. See <http://gitlab.com/ody55eus/ana/-/blob/master/ana/mfn.py#L223>)

Sensor Details

This sensor is old fabicated by Merlin Pohlit. It has 3 \(\mu\) m cross size.

It has been handed to Fabrizio Porrati to grow these structures shown below

Sensor

Fig. 10 Sensor Details

3D Nanostructures

Nanostructures

Fig. 11 Nano-Tetrapods deposited on top of the Hall sensor.

Cryostat

Loading the sample inside Janis

Author

Mohanad

Date

06 March 2019

Warning

We had problem when we introduced and exchange gas. The temperature was around 200K and we introduced 1mbar for 1s. The process of cooling was very fast and we lost a lot of He(l). The cooling rate was very high and we reached 4k in 1.5 hour. That was not good and we should next time wait at least one day to cool naturally and then intorduce an exchange gas.

Important

  • Don’t introduce exchange gas too early ( \(T > 200 K\) )

  • Be careful and introduce as little exchange gas as possible